連接件模型
Connector Model
Connector Model
聯系APAS / Contact us
- 地址:天津市西青經濟技術開發區賽達國際工業城A3-2.
- 郵箱:lxc@apas.com.cn
- 電話:022-87920088
- 傳真:請聯系網絡管理員
- 郵編:300385
- 咨詢熱線:13702119190(24小時服務熱線)
連接件模型
/ Connector Model

45系列鋁型材內置內連接件3d模型
產品描述 / Name
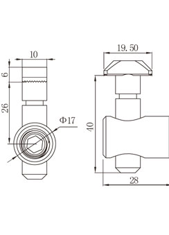
45系列鋁型材內置內連接配件只適用于槽10規格鋁型材框架90度角或180度十字結構連接,可以下載內置連接配件SLDWORKS數模模型進行框架結構的設計組裝;
022-87920099
可以根據需求進行設計加工,提供上門安裝服務;可以根據特殊需求進行鋁型材開模定制。
* 免費提供工業鋁型材選型手冊 →點擊咨詢
內容來源:http://www.muuo.cn 作者:武將 發布日期:2020年03月26日 11時08分 閱讀次數:2368 次
| 45系列鋁型材內置內連接配件主要用于鋁型材框架直角連接或十字連接,裝配前需要在型材規定位置打安裝工藝孔,然后將內置內連接配件置入工藝孔內鎖緊即可;鎖緊方向分為90度和180度兩種角度; |
![]() ![]()
|
| 鋁型材內置內連接配件安裝連接對于工藝孔加工精度要求很高,須嚴格按照配件尺寸規格對型材進行精加工處理,以保證配件的連接強度,工藝孔出現偏差會導致鋁型材框架連接松動或不能鎖緊的現象; |
|
槽型規格
|
型材
|
材質
|
訂貨編號
|
|
槽10
|
45系列鋁型材
|
碳鋼(鍍鋅)
|
CE-BC10-90°
|
|
CE-BC10-180°
|
聯系APAS/ Contact us
天津艾普斯工業鋁型材股份有限公司
聯系電話:022-87920088
企業傳真:(避免惡意廣告)請聯系該企業網絡管理員
服務熱線:13702119190 (24小時服務熱線)
Q Q:534973906
企業郵箱: lxc@apas.com.cn
企業地址:天津市西青經濟技術開發區賽達國際工業城A3-2
聯系電話:022-87920088
企業傳真:(避免惡意廣告)請聯系該企業網絡管理員
服務熱線:13702119190 (24小時服務熱線)
Q Q:534973906
企業郵箱: lxc@apas.com.cn
企業地址:天津市西青經濟技術開發區賽達國際工業城A3-2
采購意向留言:* 為必填















QQ咨詢
電話聯系
聯系電話

在線留言
樣冊下載
