鋁型材配件
Product accessories
Product accessories
聯系APAS / Contact us
- 地址:天津市西青經濟技術開發區賽達國際工業城A3-2.
- 郵箱:lxc@apas.com.cn
- 電話:022-87920088
- 傳真:請聯系網絡管理員
- 郵編:300385
- 咨詢熱線:13702119190(24小時服務熱線)
鋁型材配件 / Profile Accessories
產品名稱 / Name
防滑蓋條/防撞條
產品描述 / Describe
防滑蓋條是一種應用于工業鋁型材搭建的設備框架上的防滑配件,同時也可以用于鋁型材框架防撞防護用途,主要根據用戶的具體需求進行設計,應用較為靈活;
022-87920088
可以根據需求進行設計加工,提供上門安裝服務;可以根據特殊需求進行鋁型材開模定制。
* 免費提供工業鋁型材選型手冊 →點擊咨詢
|
|
| ? |
| 防護蓋條主要用于鋁型材框架防滑、防撞、減振作用,可主要應用于工業鋁型材設計搭建的動門、物料車、貨架等框架產品領域,它的作用主要根據其用途而定; |
| ? |
![]() ![]()
|
|
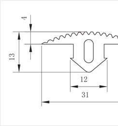
(鋁型材防滑蓋條\防撞條技術參數)
|
| ? |
|
鋁型材規格
|
顏色
|
材質
|
適用范圍
|
訂貨編號
|
|
FHG-8
|
黑色
|
PP
|
槽8鋁型材
|
CE-FHG8
|
| ? |
| 防滑蓋條也稱為防撞條,具有防滑、防撞功能,主要取決于它的用途,如安裝于物料周轉車周圍,可以起到防撞功能,碰撞時起緩沖作用,避免或降低損傷程度;防滑蓋條表面凹槽結構設計,具有很好的防滑功能; |
| ? |
| 防滑蓋條/防撞條安裝要求: |
|
防滑/防撞條主要適用于槽8規格的工業鋁型材如30系列、40系列、50系列工業鋁型材等;防滑蓋條屬于PP材質,具有一定的伸縮能力,安裝時只需將防滑蓋條T形塞插入型材凹槽之內即可,操作簡單便捷; |
聯系APAS/ Contact us
天津艾普斯工業鋁型材股份有限公司
聯系電話:022-87920088
企業傳真:(避免惡意廣告)請聯系該企業網絡管理員
服務熱線:13702119190 (24小時服務熱線)
Q Q:534973906
企業郵箱: lxc@apas.com.cn
企業地址:天津市西青經濟技術開發區賽達國際工業城A3-2
聯系電話:022-87920088
企業傳真:(避免惡意廣告)請聯系該企業網絡管理員
服務熱線:13702119190 (24小時服務熱線)
Q Q:534973906
企業郵箱: lxc@apas.com.cn
企業地址:天津市西青經濟技術開發區賽達國際工業城A3-2
采購意向留言:* 為必填















QQ咨詢
電話聯系
聯系電話

在線留言
樣冊下載
